SerTol
Старейшина
- Регистрация
- 22 Авг 2019
- Сообщения
- 813
- Симпатии
- 194
- Возраст
- 62
- Город
- СПб
- Имя
- Сергей
- Авто
- Н9 дизель 2019
Не думал, что понадобится, но вот созрел https://www.drive2.ru/l/653343004437777182/
Для кого то при покупке Н9 оказалось неприятным сюрпризом, что при заведенном движке, штатной кнопкой открыть лючок не получится. Тема муссируется давно, но проходила мимо – для меня не актуально, с 1990 г на заправке всегда глушил движок. А тут возвращаясь с поездки по Ладоге застрял на заправке. Минут 20 отстоял, понимая, что вот-вот включится прожиг сажевика. Глушить совсем бы не захотелось, у «перепускать» — тот еще гемор, на заправке то. Тут вспомнилось до кучи, что зимой иногда примерзает лючок – лучше попытаться открыть загодя – если в очереди, будет время справится, а не прыгать у колонки.
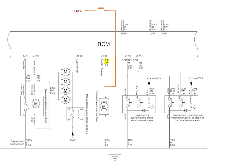
Начал погружаться – стало понятно, почему совсем простых решений нет – кнопка открытия лючка, на двери, формирует сигнал на электронный модуль в двери, тот – цифровой сигнал, по CAN шине идет в блок ВСМ, тот уже формирует импульс +12 В на моторчик лючка. Пытаться изменить функционал штатной кнопки – тащить провод из двери, скорее ставить усилитель тока – хотя бы релюшку — на вскидку довольно хлопотно.
Показалось сильно проще поставить допкнопку. Вначале созрело такое решение – к проводу на мотор лючка (разъем J4, 790 GR) подпаять кнопку – подавать 12 В, скажем с того же разъема провода 785 RB или 786 RG.

Поскольку в закромах помимо обычных кнопок есть и с подсветкой (на 19 мм, черная, желтая подсветка), решил сделать что поинтересней — +12 В взял в блоке предохранителей — www.drive2.ru/l/540281598143103799/ — напряжение появляется с заводкой движка, запитал так, чтобы свечение кнопки было и индикатором работоспособности – горит – значит моторчик лючка живой, гаснет при нажатии любой из двух кнопок – 12 В на моторчик подаются.

Можно обойтись минимальными разборками в салоне, но для удобства открутил и откинул кресло, снял панели под рулевым

Все разъемы с блока ВСМ поснимал и промазал клеммы смазкой для контактов АБ. Нужный разъем J4 снят
Вот и проводок на лючок
Решил на всякий впаять диод в разрыв провода, чтобы +12 В от кнопки не шли на ВСМ, хотя скорее это избыточно, но если диод скучает в закромах, почему нет.
При нажатии на штатную кнопку лючок открывается и гаснет подсветка, аналогично если нажать на дублирующую кнопку
Да, на разъеме припаял к земляному проводу 991 В – доппровод с клеммой и бросил на кузов – земля лишней не бывает

Саму кнопку пристроил рядышком с воздухозабором для измерения температуры в салоне климатом – пришлось смещать максимально влево, иначе упирается во внутренние части торпеды
Доступ удобен, конструктивно кнопка исключает случайное нажатие.
Для кого то при покупке Н9 оказалось неприятным сюрпризом, что при заведенном движке, штатной кнопкой открыть лючок не получится. Тема муссируется давно, но проходила мимо – для меня не актуально, с 1990 г на заправке всегда глушил движок. А тут возвращаясь с поездки по Ладоге застрял на заправке. Минут 20 отстоял, понимая, что вот-вот включится прожиг сажевика. Глушить совсем бы не захотелось, у «перепускать» — тот еще гемор, на заправке то. Тут вспомнилось до кучи, что зимой иногда примерзает лючок – лучше попытаться открыть загодя – если в очереди, будет время справится, а не прыгать у колонки.
Начал погружаться – стало понятно, почему совсем простых решений нет – кнопка открытия лючка, на двери, формирует сигнал на электронный модуль в двери, тот – цифровой сигнал, по CAN шине идет в блок ВСМ, тот уже формирует импульс +12 В на моторчик лючка. Пытаться изменить функционал штатной кнопки – тащить провод из двери, скорее ставить усилитель тока – хотя бы релюшку — на вскидку довольно хлопотно.
Показалось сильно проще поставить допкнопку. Вначале созрело такое решение – к проводу на мотор лючка (разъем J4, 790 GR) подпаять кнопку – подавать 12 В, скажем с того же разъема провода 785 RB или 786 RG.

Поскольку в закромах помимо обычных кнопок есть и с подсветкой (на 19 мм, черная, желтая подсветка), решил сделать что поинтересней — +12 В взял в блоке предохранителей — www.drive2.ru/l/540281598143103799/ — напряжение появляется с заводкой движка, запитал так, чтобы свечение кнопки было и индикатором работоспособности – горит – значит моторчик лючка живой, гаснет при нажатии любой из двух кнопок – 12 В на моторчик подаются.

Можно обойтись минимальными разборками в салоне, но для удобства открутил и откинул кресло, снял панели под рулевым

Все разъемы с блока ВСМ поснимал и промазал клеммы смазкой для контактов АБ. Нужный разъем J4 снят
Вот и проводок на лючок
Решил на всякий впаять диод в разрыв провода, чтобы +12 В от кнопки не шли на ВСМ, хотя скорее это избыточно, но если диод скучает в закромах, почему нет.
При нажатии на штатную кнопку лючок открывается и гаснет подсветка, аналогично если нажать на дублирующую кнопку
Да, на разъеме припаял к земляному проводу 991 В – доппровод с клеммой и бросил на кузов – земля лишней не бывает

Саму кнопку пристроил рядышком с воздухозабором для измерения температуры в салоне климатом – пришлось смещать максимально влево, иначе упирается во внутренние части торпеды
Доступ удобен, конструктивно кнопка исключает случайное нажатие.